| Type | Material | Pitch | Single Pitch , Tolerance (mm) | Total Pitches , Tolerance (mm) | Size (mm) | |||||||
| Length | Width | Height | ||||||||||
| 2 CH | Tempax | 250um | (+/- 0.0005 ) | (+/- 0.0005 ) | 10.0 | 2.5 | 1.5 | |||||
| 4 CH | 250um | (+/- 0.0005 ) | 10.0 | 2.5 | 1.5 | |||||||
| 8 CH | 250um | (+/- 0.0005 ) | 12.0 | 2.5 | 1.5 | |||||||
| 8 CH | 127um | (+/- 0.0005 ) | 12.0 | 2.5 | 1.5 | |||||||
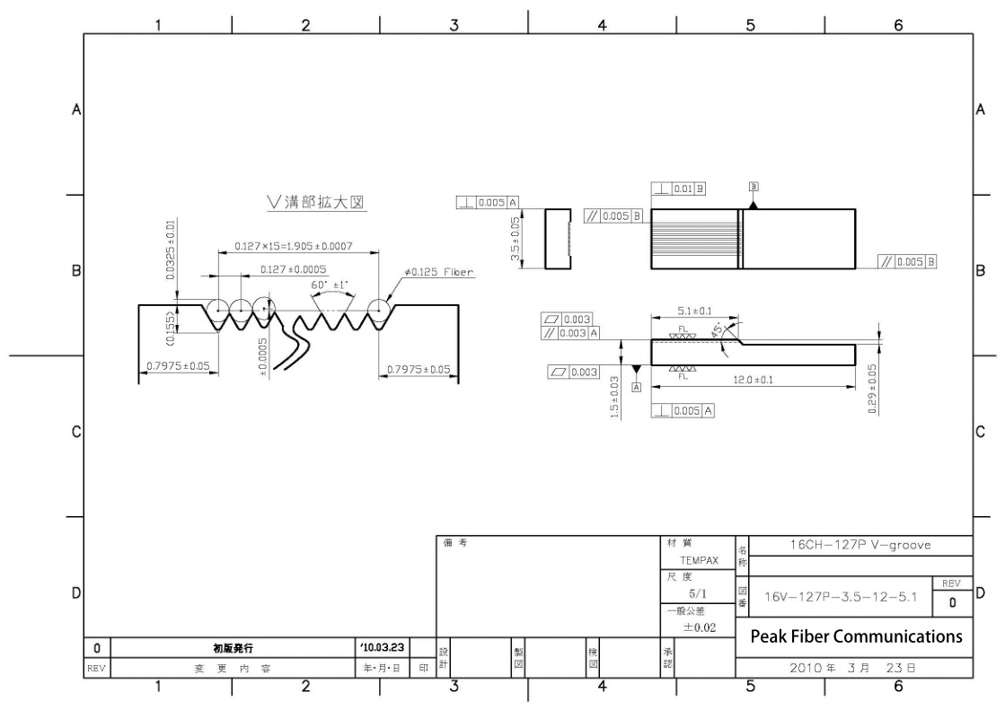
| 16 CH | 127um | (+/- 0.0007 ) | 12.0 | 3.5 | 1.5 | |||||||
| 32 CH | 127um | (+/- 0.0008 ) | 12.0 | 5.7 | 1.5 | |||||||
| 64 CH | 127um | (+/- 0.0008 ) | 12.0 | 9.8 | 1.5 | |||||||
| 96 CH | 127um | (+/- 0.001 ) | 13.7 | 12 | 1.5 | |||||||
| 128 CH | 127um | (+/- 0.0012 ) | 20.0 | 15 | 1.5 | |||||||




